ShowBL
www.showbl.com

ShowBL > LLC开关电源25:变压器参数计算MathCAD
高清视频下载观看高清视频查看封面

LLC开关电源25:变压器参数计算MathCAD

UP主:
封面:
简介:
蛋黄酥以及肉松小贝的视频
LLC开关电源37:MOS管选型与计算

LLC开关电源37:MOS管选型与计算

LLC开关电源35:MOS管米勒平台

LLC开关电源35:MOS管米勒平台

LLC开关电源35:推挽电路

LLC开关电源35:推挽电路

LLC开关电源34:VCC绕组和线性稳压电路

LLC开关电源34:VCC绕组和线性稳压电路

LLC开关电源33:启动电阻和启动电容选型与计算2

LLC开关电源33:启动电阻和启动电容选型与计算2

LLC开关电源32:启动电阻和启动电容选型与计算1

LLC开关电源32:启动电阻和启动电容选型与计算1

LLC开关电源31:整流滤波仿真

LLC开关电源31:整流滤波仿真

LLC开关电源30:滤波电容的选型和计算

LLC开关电源30:滤波电容的选型和计算

LLC开关电源29:整流桥的选型与计算

LLC开关电源29:整流桥的选型与计算

LLC开关电源28:压敏电阻的选型与计算

LLC开关电源28:压敏电阻的选型与计算

MathCAD基础操作

MathCAD基础操作

LLC开关电源26:保险丝选型与计算

LLC开关电源26:保险丝选型与计算

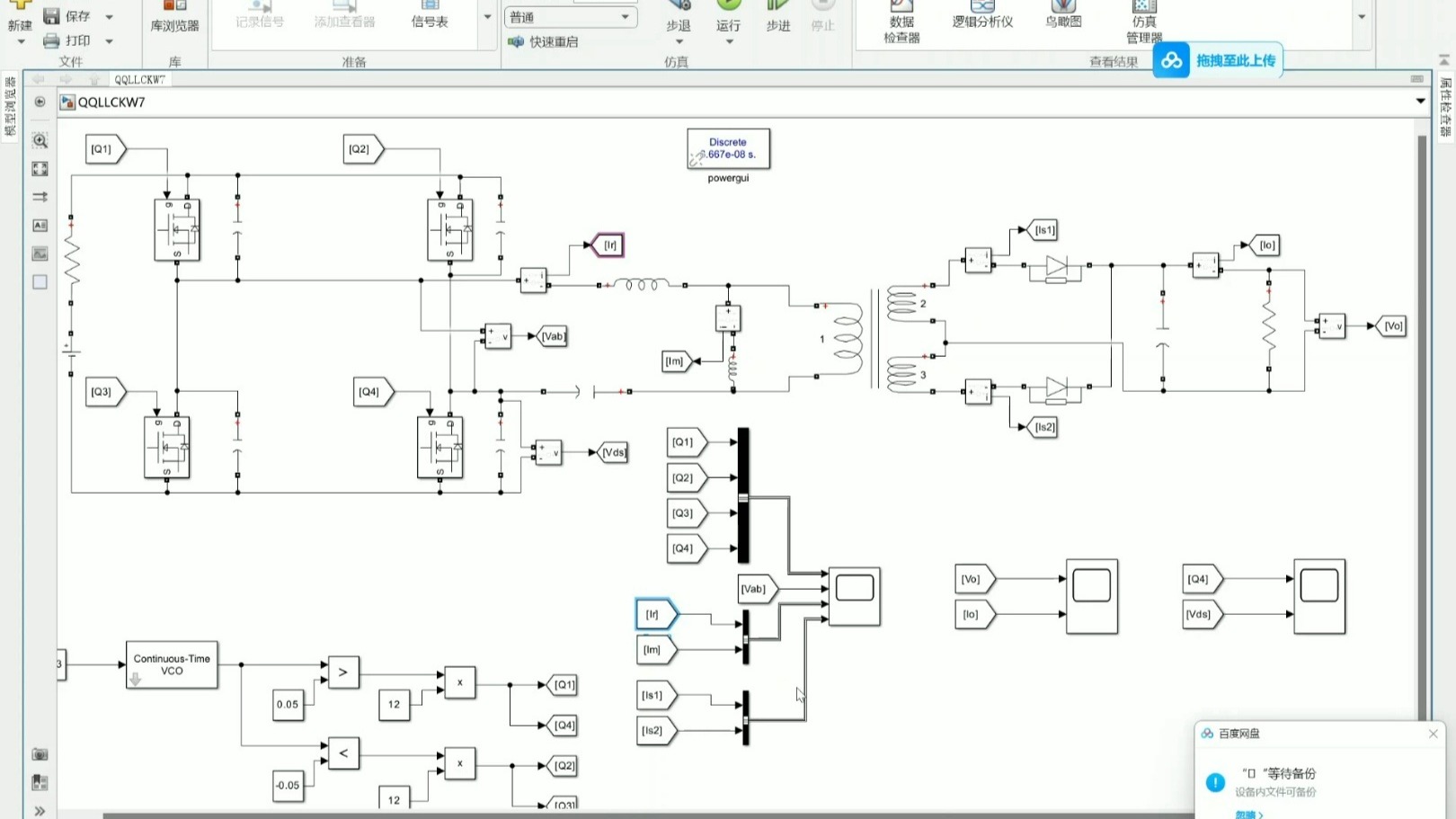
LLC开关电源26:Matlab验证LLC三种工作模态图

LLC开关电源26:Matlab验证LLC三种工作模态图

LLC开关电源25:变压器参数计算MathCAD

LLC开关电源25:变压器参数计算MathCAD

mathcad使用

mathcad使用

LLC开关电源24:LLC参数计算4

LLC开关电源24:LLC参数计算4

LLC开关电源22:LLC参数计算3

LLC开关电源22:LLC参数计算3

LLC开关电源22:LLC参数计算2

LLC开关电源22:LLC参数计算2

LC开关电源21:LLC参数计算1

LC开关电源21:LLC参数计算1

LLC开关电源21:LLC工作模态7

LLC开关电源21:LLC工作模态7

前一篇: 青少年南狮规定套路一群狮项目 后一篇: 才艺演出歌曲#骑脖子
Copyright © 2024-2026 ShowBL